
產品概述:
GN1000系列諧波保護器是并接在精密設備前端,抗浪涌沖擊并吸收2~65次高次諧波對設備進行全面保護的諧波治理高端產品,諧波治理如:照明控制系統、計算機、電視機、電動機調速設備、不間斷電源、數控機床、整流器、精密儀器、電子控制機構等等,所有這些非線性用電設備產生的諧波,它可導致配電系統本身或聯接在該系統上的設備故障。諧波保護器能將諧波消除在發生源,自動消除對用電設備產生的高次諧波和高頻噪聲、脈沖尖峰、電涌等干擾。通過諧波保護器能夠凈化電源、保護用電設備和功率因數補償設備、防止保護裝置的誤跳閘,從而保護用電設備安全、高效地運行。本產品產品適用于工業、商業、高層和民用住宅等較為重要的場所。
產品特點:
應用頻段寬:
吸收2KHz~10MHz頻率各種能量的諧波干擾。自動消除用電設備產生的隨機高次諧波和高頻噪聲等干擾。
高可靠性:
無源并聯在電路中,導軌安裝,將諧波消除在發生源。隨時跟蹤電源波形,改善諧波影響而產生畸變的電源波形。
保障設備運行:
本身不耗電,而且采用諧波保護減少了控制設備等精密儀器設備的故障率和機器誤操作,全面克服了由于諧波污染導致用電裝置的控制系統故障率高的問題,利用效率降低,保障了設備的安全運行。
經久耐用,安全可靠:
采用專用超微晶合金材料與特別電路,航空鋁材和工程塑料一體的外殼,接線端子進行了專門設計的耐高溫處理,無需日常維護。
產品選型:
型號 | 相數 |
GN-1000 | 單相 |
GN-2000 | 三相 |
GN-3000 | 增強型 |
主要技術參數:
基本參數 | 接線方式 | 單相;三相(三相三線,三相四線) |
功率接線端 | L、N、PE(單相);L1、L2、L3、N、PE(三相) | |
電壓等級 | 220V(單相);380V(三相)(440V、690V等可定制) | |
濾波范圍 | 1KHz-30MHz;1KHz時開始衰減,1.5KHz時-3db的衰減,30KHz時最大衰減為-43db | |
性能指標 | 額定電壓 | AC220V;AC380V |
工作頻率 | 50/60Hz±15% | |
防浪涌 | 內置保護電路,對1.2/50us的浪涌電壓 | |
8/20us浪涌電流有良好的防護功能 | ||
絕緣電阻 | >50MΩ | |
耐壓 | AC2000V,1min,無擊穿閃絡 | |
泄露電流 | 1.2mA | |
電磁兼容 | 震蕩波抗擾度 | IEC60255-22-1 III級 |
靜電放電抗擾度 | IEC60255-22-2 III級 | |
射頻電磁場輻射抗擾度 | IEC60255-22-3 III級 | |
快速瞬變脈沖群抗擾度 | IEC60255-22-4 III級 | |
外部環境 | 溫度范圍 | -30°C~+70°C |
存儲溫度 | -50°C~+90°C | |
相對濕度 | 5%~95%,無凝露 | |
海拔高度 | ≤2500米,更高海拔需要向上海一德定制。 | |
安裝 | 安裝方式 | 螺絲固定安裝 |
外觀尺寸 | 152mm*115mm*62mm | |
安裝尺寸 | 136mm*58mm*62mm | |
電源 | 功耗 | <1W(幾乎不耗電) |
發熱 | 溫升<5°C | |
應用場合:
序號 | 應用場合 | 應用范圍 |
1 | 手術室 | 手術室中有電刀、除顫器、心電圖機等,諧波污染會造成心電圖機輸出數據改變和計數器軟件故障等。 |
2 | ICU(重癥監護病房) | ICU病房在給病人提供支持治療時,必須在病人附近同時安放和許多醫療設備,如心電監護儀、多功能呼吸機、心電圖機、起搏器等。諧波污染嚴重而且復雜,更應采取諧波保護措施。針對特殊設備單獨配置設備。 |
3 | 放療科 | 放療科中移動式放射劑量測量系統(如速率計、校準室等)若遭受高次諧波干擾,它們內嵌的電子元件可能記錄噪聲并改變數據輸出。針對一起配置設備。 |
4 | 醫學成像室 | 計數儀、移動式X射線機等極易受高次諧波干擾而改變數據輸出。 |
5 | 醫院的信息網絡系統 | 醫療的特性決定了醫院信息網絡系統必須24小時全天候無間隙穩定運轉。高次諧波污染往往使得這些智能化系統設備產生誤碼、錯碼,產生誤動作;運行時經常出現程序運行錯誤、數據錯誤、時間錯誤、死機、無故重新啟動,甚至可以使整個網絡癱瘓。針對精密設備如重要計算機,再配置設備。 |
6 | 智能建筑 | 智能建筑中使用了大量現代化用電設備和裝置如通訊系統、計算機、網絡控制設備、變頻空調、各種數碼辦公設備、燈光調控、消防系統、監控系統等。惡劣的諧波環境對保證系統和設備的安全正常運行造成了極大的威脅。 |
7 | 電視臺/劇場/會堂設備 | 電視臺/劇場/會堂照明光源大多為熒光燈、金屬鹵化物燈等氣體放電類電光源,這些光源和舞臺電腦調光燈屬于非線性電氣設備,因此在運行時會產生高次諧波,造成頻閃、電纜發熱,從而對通信、有線電視等弱電回路產生雜音;對精密的數字控制系統產生干擾,甚至產生故障。因此需要采取相應的高次諧波保護措施。 |
8 | 機場 | 主控室、計算機房、廣播系統、燈光調光系統等 |
9 | 學校 | 精密實驗室、計算機房、網絡中心 |
10 | 電信機房 | 移動基站、網絡中心 |
11 | 稅務/工商大樓 | 計算機房 |
12 | 銀行系統 | 計算機中心、營業大廳、安防系統 |
13 | 工廠 | 自動化生產線PLC、計算機控制設備、高精度機床、DCS系統 |
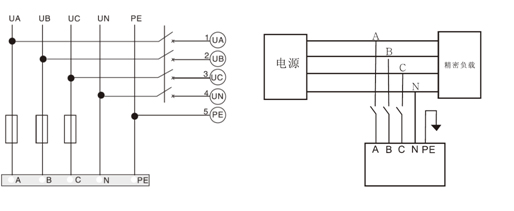
典型接線圖:
